In einem vorigen Beitrag hatte ich das Zerlegen eines Gleichstrommotörchens erwähnt. Und weil das so gut gelungen war, nach Anleitung von Herrn Bengs in seinem Bausatz «Generator», war ich auf den Geschmack gekommen.

Motorauswahl
Dabei wollte ich nicht irgend ein weiteres Motörchen zerlegen, sondern ich verfolge das Ziel, einen serienmässigen «Generator» mit einem potenteren und optisch auffälligeren Innenleben zu versehen. «Mehr Sein als Schein», sozusagen. Ohne dabei die Hauptabmessungen Durchmesser und Länge des namensgebenden Bausatzes allzu sehr zu kompromittieren.
Da ich, in Ermangelung einer eigenen CNC-Fräse, insbesondere die dem Bausatz beiliegenden, vorgefrästen Lagerschilde und Lagerbögen weitestgehend unverändert weiterverwenden möchte, bin ich bezüglich des Durchmessers eines «Tuning»-Ersatzmotors nach oben hart begrenzt, nämlich auf max. ø40 mm, was exakt dem Aussendurchmesser des «Gehäuse, Teil 3» des Bausatzes entspricht.


Bezüglich der Länge des Motorgehäuses kann ich gegebenenfalls etwas flexibler sein.
Wie kommt man nun an einen alternativen Elektromotor, der einen grösseren Durchmesser als der Originalmotor (ø≈27.6 mm) aber einen kleineren Durchmesser als ø40 mm aufweist? Ideal wäre ein digitaler Katalog, z.B. DigiKey, in dem man nach entsprechenden Kriterien filtern könnte. Leider bildet DigiKey nur ein Teilspektrum aller möglichen DC Kleinmotoren ab. Zudem sind Motorbezeichnungen nicht genormt sondern den jeweiligen Herstellern bzw. Anbietern überlassen.
Den meistversprechenden Ansatz einer Standardisierung von Typbezeichnungen liefert die Mabuchi Motor Co. Ltd. mit der folgenden Übersicht:

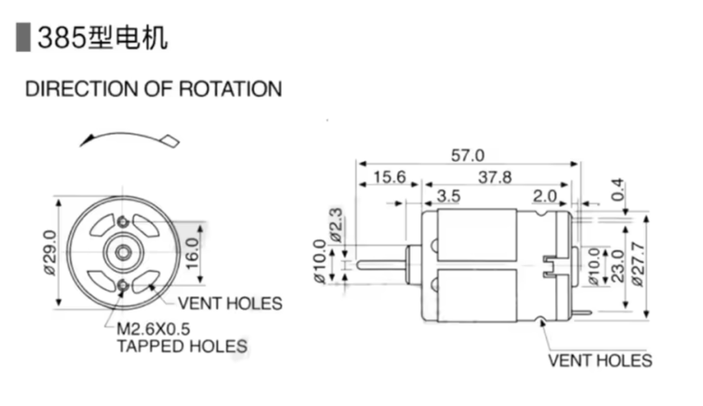
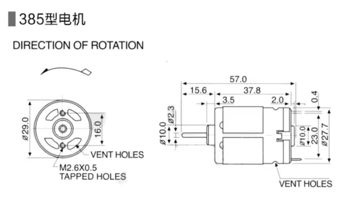
Dieses Benennungsschema wird erfreulicherweise von vielen auf Aliexpress angebotenen DC Motoren eingehalten, so dass man sich hinsichtlich der zu erwartenden Dimensionen leichter orientieren kann. Durch Anwendung dieses Schemas auf den dem «Generator» Bausatz beiliegenden Motor konnte ich ihn als ein Exemplar aus der RS 385 Klasse identifizieren, und zwar lt. Gehäusestempelung einen vom Hersteller Johnson Electric:
- R: runde Bauform
- S: Bürstenmaterial Kohle
- 3: Durchmesser ≈ 27.5 mm
- 8: Motorgehäuselänge (ohne Lager und Wellenstümpfe) ≈ 38 mm
- 5: Anker 5-polig

Die nächst-grössere Durchmesserklasse «4» scheint mit ø30.5 mm nur wenig dicker zu sein als der originale Motor des Bausatzes – für eine so geringe «Aufspeckung» würde sich der Aufwand eines Umbaus nicht lohnen.
Die Durchmesserklasse «5» sieht hingegen mit knapp ø36 mm echt vielversprechend aus!

So ein Exemplar würde in einem ø40 mm Gehäuse eine Wandstärke von nur noch 2.0 mm übrig lassen, gegenüber derzeit satten 6.0 mm beim RS385! Das geht also sehr schön in die von mir gewünschte Richtung.
In meiner Ungeduld habe ich gleich das erste beste RS5** Exemplar, einen RS540, bei Digitec bestellt, welches zwar vermutlich ebenfalls aus China stammt, dafür aber schon am nächsten Tag bei mir auf dem Schreibtisch lag 😉 Etwas Sorge bereitet mir, dass das Motorgehäuse des RS540 mit 50.0 mm gegenüber ursprünglich 38.0 mm signifikant länger ist, was zwar nicht zu vollen 12 mm Verlängerung des «Generators» führen dürfte, aber eben doch zu einer Verlängerung. Ich würde mit einem sehr viel selteneren (und entsprechend schwieriger zu findenden!) RS535 Motor (Gehäuselänge 40.0 mm) deutlich näher am Original bleiben. Schau’n wir mal wie sich das nach Zerlegung des Motors darstellt.
Zerlegung des Motors
Das Ziel bei der nun folgenden Zerlegung ist, den Anker mitsamt Kollektor, die Kohlebürsten sowie die beiden Permanentmagnete mitsamt einem auf Magnetlänge verkürzten Restgehäuse unbeschädigt zu erhalten – siehe Eingangsbild. Diese Teile sollen in einem späteren Schritt in das Gehäuse des Bausatzes «Generator» von Modellbau Bengs eingebaut werden. Auf dem Weg zwischen einem serienmässigen RS 540 Motor und den freigelegten Komponenten wird allerdings Material zerspant – insofern ist der nun folgende Teardown irreversibel.
Die eingestemmten Laschen am kohlenseitigen Lagerschild des gegenüber einem RS 385 Motor dickerwandigen und somit stabileren Motorgehäuse des RS 540 Motors widersetzen sich allen Versuchen eines «Aufhebelns». Für das Öffnen des RS 540 Motors spanne ich ihn daher in das Dreibackenfutter meiner Drehbank ein. Hier erlauben die Durchmesserabstufungen der aussenspannenden Backen meines ø100 mm Dreibackenfutters leider nicht die Spannung am äusseren Umfang, sondern leider nur am vorderen Lager mit ø10 mm. Zur Absicherung verwende ich eine mitlaufende Zentrier-Hohlspitze (Innenkegel) am hinteren Lager:


Wegen der dünnen Wandstärke des Gehäuses und der etwas prekären Einspannung versuche ich, die auftretenden Schnittkräfte möglichst klein zu halten. Ich verwende daher hier die schärfste Schneide aus meinem Sortiment.
Die letzten Umdrehungen des Dreibackenfutters vor dem vollständigen Durchstich habe ich von Hand durchgedreht, da der Wegfall der Abstützung des axialen Drucks und der radialen Zentrierung der mitlaufenden Zentrierspitze bei laufender Maschine zu einem möglichen Verkanten hätte führen können.
Vorsicht dann beim Abziehen des abgetrennten hinteren Lagerschilds von Achsstummel: hierbei mit einem kleinen Schraubenzieher durch die seitlichen Öffnungen des Motorgehäuses die federnden Bürsten etwas vom Kollektor weg heben, um ihnen über die hintere Bundscheibe des Kollektors zu helfen.

Die Kohlebürsten auf Ihren federnden kupfernen Kontaktfähnchen sind durch einen Einschlagstift mit Flachkopf im schwarzen Kunststoffträger fixiert. Nach kurzem Ausbohren des Stiftkopfs lassen sie sich ganz leicht aus ihren Führungen herausheben:




Nun zum Vergleich der wichtigsten Abmessungen der beiden Anker aus RS 540 und RS 385:






Und hier noch der direkte visuelle Vergleich der beiden Kandidaten:



Zwischenfazit
Die Durchmesservergrösserung des Ankers beim Ersatz eines RS 3** durch einen RS 5** Motors entspricht exakt meiner Zielsetzung 👍.
Die Verlängerung des Ankers (Abstand der beiden Anlageflächen) eines RS 540 gegenüber einem RS 385 erzwingt – bei unveränderten Lagerbögen aus dem Bausatz – eine Verlängerung des Motorgehäuses um den gleichen Betrag. Hier: um rund 13 mm. Das ist markant, verglichen mit einer ursprünglichen Länge des «Gehäuse, Teil 3» aus dem Bausatz von 21 mm. Mal schauen, ob mir das gefallen wird.
Aus Interesse und sicherheitshalber habe ich aber auch schon Motoren vom Typ RS 535 bestellt. Zur Erinnerung: die zweite Stelle der Typ-Zahl kodiert die Länge des Motorgehäuses. Ich werde es also auch noch «eine Nummer kleiner (kürzer)» probieren.
Update am 02.03.2026:
Der Umbau des «Generator» Bausatzes auf die Innereien des grösseren RS 540 ist inzwischen erfolgt. Ich beschreibe den Umbau im folgenden Beitrag Generator++ – Wolf im Schafspelz 😊